Control Board MCU NCM107 v1.1
Schemes, BOMs, Layouts, 2D and 3D Renders, 3D Models, Charts, Instructions, References…

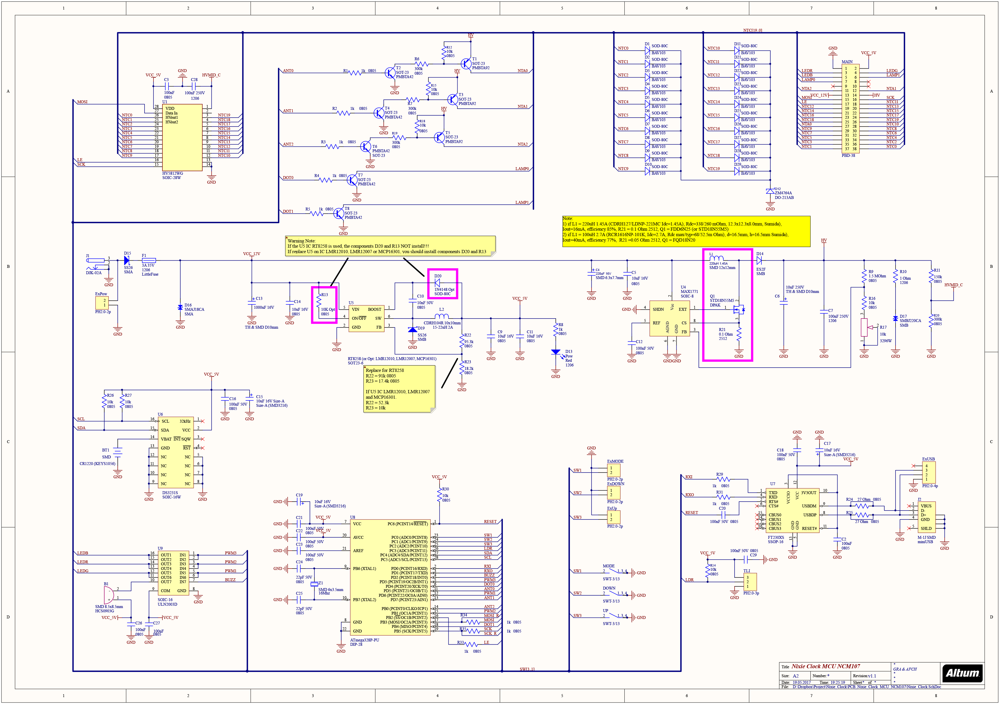
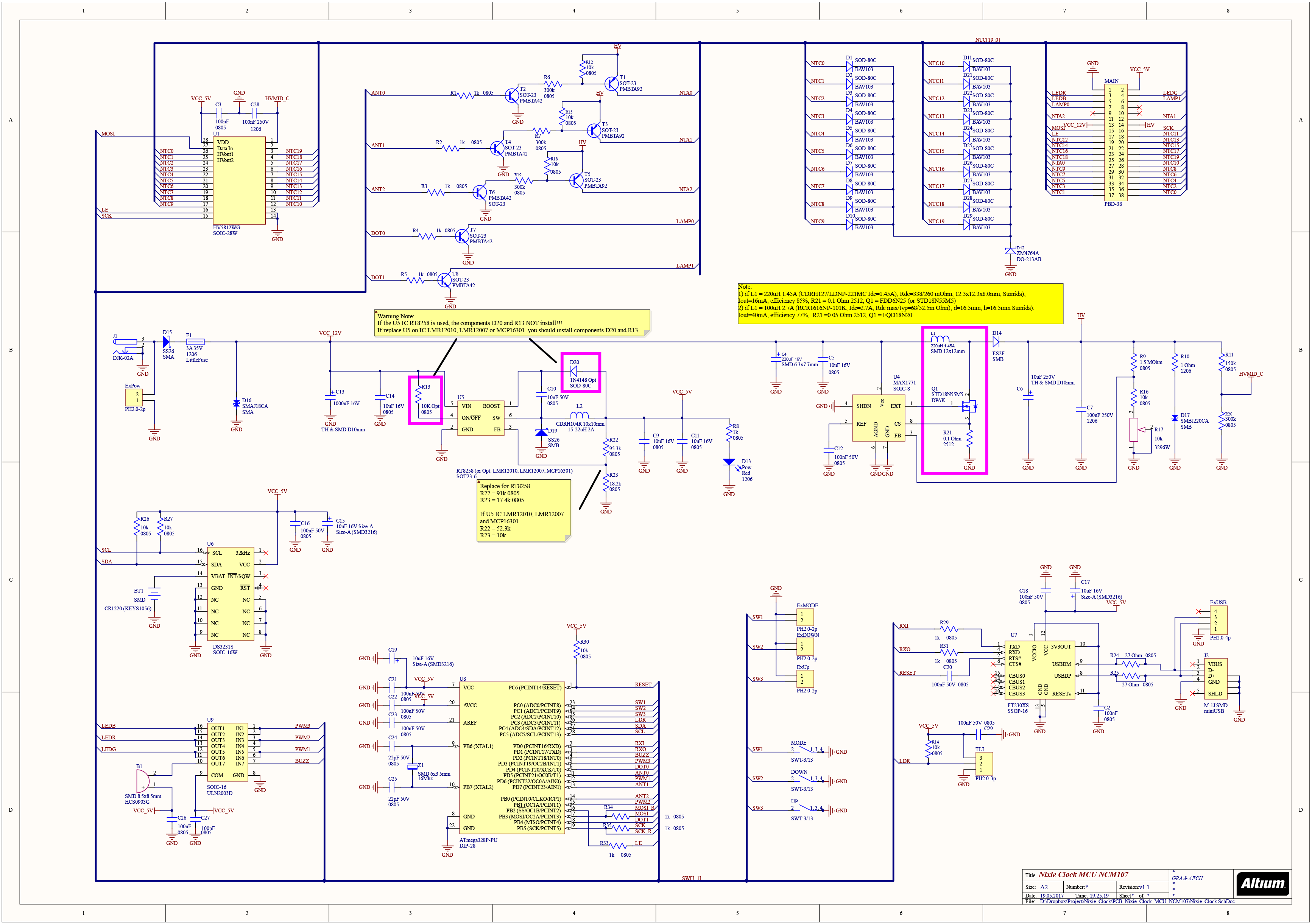
Control Board MCU NCM107 v1.1 Principal Electrical Scheme
Download:
Scheme MCU NCM107 v1.1 (203 downloads)
Older edition:
Scheme MCU NCM107 v1.1 (CE_2) (218 downloads)
Older edition:
Scheme MCU NCM107 v1.1 (E) (243 downloads)
BOMs NCT4xx(x) MCU NCM107 v1.1 Control Board

NCT4xx MCU NCM107 v1.1 B1 Control Board and Tubes Board NCT408 v1.0 Bills Of Materials [page 1]

NCT4xx MCU NCM107 v1.1 B1 Control Board and Tubes Board NCT408 v1.0 Bills Of Materials [page 2]
Download (xls):
BOMs MCU NCM107 [NCT4xx] v1.1 B1 (N)+NCT408 v1.0 _(DG) (195 downloads)
Download (pdf):
BOMs MCU NCM107 [NCT4xx] v1.1 B1 (N)+NCT408 v1.0 _(DG) (211 downloads)

NCT4xx MCU NCM107 v1.1 B1 Control Board and Tubes Board NCT412 v1.0 Bills Of Materials [page 1]

NCT4xx MCU NCM107 v1.1 B1 Control Board and Tubes Board NCT412 v1.0 Bills Of Materials [page 2]
Download (xls):
BOMs MCU NCM107 [NCT4xx] v1.1 B1+NCT412 v1.0 _(D) (215 downloads)
Download (pdf):
BOMs MCU NCM107 [NCT4xx] v1.1 B1+NCT412 v1.0 _(D) (201 downloads)
Older edition (xls):
BOMs MCU NCM107 [NCT4xx] v1.1 B1+NCT412 v1.0 _(sDE) (212 downloads)
Older edition (pdf):
BOMs MCU NCM107 [NCT4xx] v1.1 B1+NCT412 v1.0 _(sDE) (194 downloads)

NCT4xx(x) MCU NCM107 v1.1 Control Board Bill Of Materials
Download (xls):
BOM MCU NCM107 [NCT4xx(x)] v1.1 (DN) (204 downloads)
Download (pdf):
BOM MCU NCM107 [NCT4xx(x)] v1.1 (DN) (195 downloads)
Older edition (xls):
BOM MCU NCM107 [NCT4xx(x)] (v1.1) (DENMV) (198 downloads)
Older edition (pdf):
BOM MCU NCM107 [NCT4xx(x)] (v1.1) (DENMV) (205 downloads)

NCT4xx MCU NCM107 v1.1 Control Board and Tubes Board NCT414 v1.1 Bills Of Materials [page 1]

NCT4xx MCU NCM107 v1.1 Control Board and Tubes Board NCT414 v1.1 Bills Of Materials [page 2]
Download (xls):
BOMs MCU NCM107 [NCT4xx] v1.1+NCT414 v1.1 _(sD) (202 downloads)
Download (pdf):
BOMs MCU NCM107 [NCT4xx] v1.1+NCT414 v1.1 _(sD) (177 downloads)

NCT4xx MCU NCM107 v1.1 Control Board and Tubes Board NCT414 v1.0 Bills Of Materials [page 1]

NCT4xx MCU NCM107 v1.1 Control Board and Tubes Board NCT414 v1.0 Bills Of Materials [page 2]
Download (xls):
BOMs MCU NCM107 [NCT4xx] v1.1+NCT414 v1.0 _(DG) (216 downloads)
Download (pdf):
BOMs MCU NCM107 [NCT4xx] v1.1+NCT414 v1.0 _(DG) (186 downloads)
Older edition (xls):
BOMs MCU NCM107 [NCT4xx] v1.1+NCT414 v1.0 _(DEG) (192 downloads)
Older edition (pdf):
BOMs MCU NCM107 [NCT4xx] v1.1+NCT414 v1.0 _(DEG) (196 downloads)

NCT4xx MCU NCM107 v1.1 Control Board and Tubes Board NCT414 v1.0 and Wooden Case WCNC4xx vX.x Bills Of Materials [page 1]

NCT4xx MCU NCM107 v1.1 Control Board and Tubes Board NCT414 v1.0 and Wooden Case WCNC4xx vX.x Bills Of Materials [page 2]
Download (xls):
BOMs MCU NCM107 [NCT4xx] v1.1 (D)+NCT414 v1.0 (D)+(Wooden Case (WCNC4xx)) vX.x (DH) _(DG) (188 downloads)
Download (pdf):
BOMs MCU NCM107 [NCT4xx] v1.1 (D)+NCT414 v1.0 (D)+(Wooden Case (WCNC4xx)) vX.x (DH) _(DG) (187 downloads)

NCT4xxx MCU NCM107 v1.1 Control Board and Tubes Board NCT4573 v1.0 Bills Of Materials [page 1]

NCT4xxx MCU NCM107 v1.1 Control Board and Tubes Board NCT4573 v1.0 Bills Of Materials [page 2]
Download (xls):
BOMs MCU NCM107 [NCT4xxx] v1.1+NCT4573 v1.0 _(sD) (191 downloads)
Download (pdf):
BOMs MCU NCM107 [NCT4xxx] v1.1+NCT4573 v1.0 _(sD) (201 downloads)
Older edition (xls):
BOMs MCU NCM107 [NCT4xxx] v1.1+NCT4573 v1.0 _(sDE) (186 downloads)
Older edition (pdf):
BOMs MCU NCM107 [NCT4xxx] v1.1+NCT4573 v1.0 _(sDE) (196 downloads)

NCT4xx MCU NCM107 v1.1 Control Board and Tubes Board NCT408 v1.0 Bills Of Materials [page 1]

NCT4xx MCU NCM107 v1.1 Control Board and Tubes Board NCT408 v1.0 Bills Of Materials [page 2]
Download (xls):
BOMs MCU NCM107 [NCT4xx] v1.1 (N)+NCT408 v1.0 _(sD) (188 downloads)
Download (pdf):
BOMs MCU NCM107 [NCT4xx] v1.1 (N)+NCT408 v1.0 _(sD) (210 downloads)

NCT4xx MCU NCM107 v1.1 Control Board and Tubes Board NCT482 v1.0 Bills Of Materials [page 1]

NCT4xx MCU NCM107 v1.1 Control Board and Tubes Board NCT482 v1.0 Bills Of Materials [page 2]
Download (xls):
BOMs MCU NCM107 [NCT4xx] v1.1+NCT482 v1.0 _(D) (194 downloads)
Download (pdf):
BOMs MCU NCM107 [NCT4xx] v1.1+NCT482 v1.0 _(D) (202 downloads)

NCT4xx MCU NCM107 v1.1 Control Board and Tubes Board NCT412 v1.0 Bills Of Materials [page 1]

NCT4xx MCU NCM107 v1.1 Control Board and Tubes Board NCT412 v1.0 Bills Of Materials [page 2]
Download (xls):
BOMs MCU NCM107 [NCT4xx] v1.1+NCT412 v1.0 _(D) (178 downloads)
Download (pdf):
BOMs MCU NCM107 [NCT4xx] v1.1+NCT412 v1.0 _(D) (212 downloads)

NCT4xx MCU NCM107 v1.1 Control Board and Tubes Board NCT412 v1.0 and Wooden Case WCNC4xx vX.x Bills Of Materials [page 1]

NCT4xx MCU NCM107 v1.1 Control Board and Tubes Board NCT412 v1.0 and Wooden Case WCNC4xx vX.x Bills Of Materials [page 2]
Download (xls):
BOMs MCU NCM107 [NCT4xx] v1.1 (D)+NCT412 v1.0 (D)+(Wooden Case (WCNC4xx)) vX.x (DH) _(DG) (200 downloads)
Download (pdf):
BOMs MCU NCM107 [NCT4xx] v1.1 (D)+NCT412 v1.0 (D)+(Wooden Case (WCNC4xx)) vX.x (DH) _(DG) (193 downloads)

NCT4xx MCU NCM107 v1.1 Control Board and Tubes Board NCT416 v1.0 Bills Of Materials [page 1]

NCT4xx MCU NCM107 v1.1 Control Board and Tubes Board NCT416 v1.0 Bills Of Materials [page 2]
Download (xls):
BOMs MCU NCM107 [NCT4xx] v1.1+NCT416 v1.0 _(D) (204 downloads)
Download (pdf):
BOMs MCU NCM107 [NCT4xx] v1.1+NCT416 v1.0 _(D) (200 downloads)
BOMs NCT3xx(x) MCU NCM107 v1.1 Control Board

NCT3xx MCU NCM107 v1.1 B1 Control Board and Tubes Boards NCT318 v1.0 and NCT818 v1.0 Bills Of Materials [page 1]

NCT3xx MCU NCM107 v1.1 B1 Control Board and Tubes Boards NCT318 v1.0 and NCT818 v1.0 Bills Of Materials [page 2]

NCT3xx MCU NCM107 v1.1 B1 Control Board and Tubes Boards NCT318 v1.0 and NCT818 v1.0 Bills Of Materials [page 3]
Download (xls):
BOMs MCU NCM107 [NCT3xx] v1.1 B1+NCT318 v1.1+NCT818 v1.0 _(DG) (209 downloads)
Download (pdf):
BOMs MCU NCM107 [NCT3xx] v1.1 B1+NCT318 v1.1+NCT818 v1.0 _(DG) (199 downloads)

NCT3xxx MCU NCM107 v1.1 B1 Control Board and Tubes Boards NCT3566 v1.0 and NCT8566 v1.0 Bills Of Materials [page 1]

NCT3xxx MCU NCM107 v1.1 B1 Control Board and Tubes Boards NCT3566 v1.0 and NCT8566 v1.0 Bills Of Materials [page 2]

NCT3xxx MCU NCM107 v1.1 B1 Control Board and Tubes Boards NCT3566 v1.0 and NCT8566 v1.0 Bills Of Materials [page 3]
Download (xls):
BOMs MCU NCM107 [NCT3xxx] v1.1 B1+NCT3566 v1.0+NCT8566 v1.0 _(DG) (212 downloads)
Download (pdf):
BOMs MCU NCM107 [NCT3xxx] v1.1 B1+NCT3566 v1.0+NCT8566 v1.0 _(DG) (208 downloads)
Older edition (xls):
BOMs MCU NCM107 [NCT3xxx] v1.1 B1+NCT3566 v1.0+NCT8566 v1.0 _(sDE_2) (213 downloads)
Older edition (pdf):
BOMs MCU NCM107 [NCT3xxx] v1.1 B1+NCT3566 v1.0+NCT8566 v1.0 _(sDE_2) (215 downloads)
Older edition (xls):
BOMs MCU NCM107 [NCT3xxx] v1.1 B1+NCT3566 v1.0+NCT8566 v1.0 _(sDE) (194 downloads)
Older edition (pdf):
BOMs MCU NCM107 [NCT3xxx] v1.1 B1+NCT3566 v1.0+NCT8566 v1.0 _(sDE) (204 downloads)

NCT3xx MCU NCM107 v1.1 Control Board and Tubes Board NCT318 v1.1 Bills Of Materials [page 1]

NCT3xx MCU NCM107 v1.1 Control Board and Tubes Board NCT318 v1.1 Bills Of Materials [page 2]
Download (xls):
BOMs MCU NCM107 [NCT3xx] v1.1+NCT318 v1.1 _(DG) (200 downloads)
Download (pdf):
BOMs MCU NCM107 [NCT3xx] v1.1+NCT318 v1.1 _(DG) (210 downloads)
Older edition (xls):
BOMs MCU NCM107 [NCT3xx] v1.1+NCT318 v1.1 _(DEG) (216 downloads)
Older edition (pdf):
BOMs MCU NCM107 [NCT3xx] v1.1+NCT318 v1.1 _(DEG) (180 downloads)

NCT3xx MCU NCM107 v1.1 Control Board and Tubes Board NCT318 v1.1 and Wooden Case WCNC3xx vX.x Bills Of Materials [page 1]

NCT3xx MCU NCM107 v1.1 Control Board and Tubes Board NCT318 v1.1 and Wooden Case WCNC3xx vX.x Bills Of Materials [page 2]

NCT3xx MCU NCM107 v1.1 Control Board and Tubes Board NCT318 v1.1 and Wooden Case WCNC3xx vX.x Bills Of Materials [page 3]
Download (xls):
BOMs MCU NCM107 [NCT3xx] v1.1+NCT318 v1.1+(Wooden Case (WCNC3xx)) vX.x (DH) _(DG) (193 downloads)
Download (pdf):
BOMs MCU NCM107 [NCT3xx] v1.1+NCT318 v1.1+(Wooden Case (WCNC3xx)) vX.x (DH) _(DG) (203 downloads)

NCT3xx MCU NCM107 v1.1 Control Board and Tubes Board NCT318 v1.0 and Wooden Case WCNC3xx vX.x Bills Of Materials [page 1]

NCT3xx MCU NCM107 v1.1 Control Board and Tubes Board NCT318 v1.0 and Wooden Case WCNC3xx vX.x Bills Of Materials [page 2]
Download (xls):
BOMs MCU NCM107 [NCT3xx] v1.1 (D)+NCT318 v1.0 (D)+(Wooden Case (WCNC3xx)) vX.x (DH) _(DG) (210 downloads)
Download (pdf):
BOMs MCU NCM107 [NCT3xx] v1.1 (D)+NCT318 v1.0 (D)+(Wooden Case (WCNC3xx)) vX.x (DH) _(DG) (186 downloads)

NCT3xx MCU NCM107 v1.1 Control Board and Tubes Boards NCT318 v1.1 and NCT818 v1.0 Bills Of Materials [page 1]

NCT3xx MCU NCM107 v1.1 Control Board and Tubes Boards NCT318 v1.1 and NCT818 v1.0 Bills Of Materials [page 2]

NCT3xx MCU NCM107 v1.1 Control Board and Tubes Boards NCT318 v1.1 and NCT818 v1.0 Bills Of Materials [page 3]
Download (xls):
BOMs MCU NCM107 [NCT3xx] v1.1+NCT318 v1.1+NCT818 v1.0 _(D) (217 downloads)
Download (pdf):
BOMs MCU NCM107 [NCT3xx] v1.1+NCT318 v1.1+NCT818 v1.0 _(D) (208 downloads)
Older edition (xls):
BOMs MCU NCM107 [NCT3xx] v1.1+NCT318 v1.1+NCT818 v1.0 _(sDE_2) (222 downloads)
Older edition (pdf):
BOMs MCU NCM107 [NCT3xx] v1.1+NCT318 v1.1+NCT818 v1.0 _(sDE_2) (179 downloads)
Older edition (xls):
BOMs MCU NCM107 [NCT3xx] v1.1+NCT318 v1.1+NCT818 v1.0 _(DEG) (194 downloads)
Older edition (pdf):
BOMs MCU NCM107 [NCT3xx] v1.1+NCT318 v1.1+NCT818 v1.0 _(DEG) (195 downloads)

Control Board MCU NCM107 v1.1 Layout top side
Download:
Layout MCU NCM107 v1.1 top side (G) (196 downloads)

Control Board MCU NCM107 v1.1 Layout bottom side
Download:
Layout MCU NCM107 v1.1 bottom side (G) (182 downloads)

NCT414 v1.1 Tubes Board and Control Board MCU NCM107 v1.1 Layouts top and bottom sides
Download:
Layouts NCT414 v1.1 top and bottom sides+MCU NCM107 v1.1 top and bottom sides _(CG) (204 downloads)

NCT412 v1.0 Tubes Board and Control Board MCU NCM107 v1.1 Layouts top and bottom sides
Download:
Layouts NCT412 v1.0 top and bottom sides+MCU NCM107 v1.1 top and bottom sides _(CG) (177 downloads)

Control Board MCU NCM107 v1.1 2D Render top bare Inverted Layout with dimensions
Download:
2D Render MCU NCM107 v1.1 top bare Inverted Layout with dimensions (196 downloads)

NCT4xx(x) MCU NCM107 v1.1 Control Board 3D Render top front overview populated
Download:
3D Render MCU NCM107 [NCT4xx(x)] v1.1 top front overview populated (195 downloads)

NCT4xx(x) MCU NCM107 v1.1 Control Board 3D Render top view populated
Download:
3D Render MCU NCM107 [NCT4xx(x)] v1.1 top view populated (203 downloads)

NCT4xx(x) MCU NCM107 v1.1 Control Board 3D Render bottom front overview populated
Download:
3D Render MCU NCM107 [NCT4xx(x)] v1.1 bottom front overview populated (204 downloads)

NCT4xx(x) MCU NCM107 v1.1 Control Board 3D Render bottom view populated
Download:
3D Render MCU NCM107 [NCT4xx(x)] v1.1 bottom view populated (201 downloads)

Control Board MCU NCM107 v1.1 3D Model top front overview

Control Board MCU NCM107 v1.1 3D Model top view

Control Board MCU NCM107 v1.1 3D Model bottom view
Download:
3D Model MCU NCM107 v1.1 (NMV) (195 downloads)

NCT3xx(x) MCU NCM107 v1.1 Control Board Chart top populated
Download:
Chart MCU NCM107 [NCT3xx(x)] v1.1 top populated (T) (186 downloads)

NCT3xx(x) MCU NCM107 v1.1 Control Board Chart bottom populated
Download:
Chart MCU NCM107 [NCT3xx(x)] v1.1 bottom populated (T) (202 downloads)
PCB Design Schematics Case and Software made by GRA & AFCH
